SITEMAP 창 닫기

제품상세

팝업레이어 알림

cbbdcc8c8e087fcc38e189ef25a9faa0_1757551249_2492.jpg 

 

상품간략정보

정밀 자동 리니어 Z스테이지 [SZ-2020-3S / SZ-3030-3S / SZ-4040-3S]

상품 선택옵션 1 개, 추가옵션 0 개

제조사 SCIENCETOWN
납기 1~2주이내
브랜드 1ea/pk
모델 SZ-2020-3S / 3030-3S / 4040-3S
0점
배송비결제 주문시 결제

구매기능

선택옵션

첨부파일

  • 상품 정보

    상품 상세설명


    자동 리니어 Z 스테이지

    SZ Series


    05e5cf54eae9ef06bcba35741128e100_1690964814_8595.jpg
     






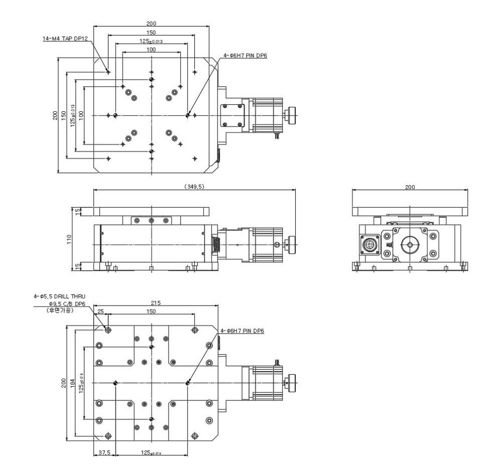
    SZ-2020-3S

    Table size(mm) : 200x200

    Travel Range(mm) : ±10mm

    Travel Guide : Ball Screw Φ12 Lead 5mm, Cross Roller Guide

    Material : Aluminum


    Z - Stage 특징

    1. WEDGE 타입의 수평면 Z축 스테이지

    2. 다양한 표준품 라인업

    3. 고정밀도 실현

    5d893fcd5ff17c543ed982f44103d182_1773219563_9537.jpg
     
     










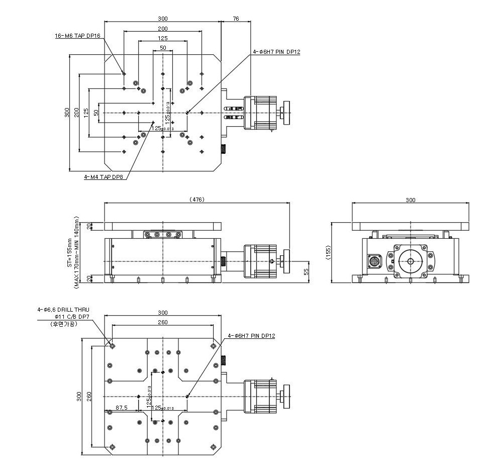
    SZ-3030-3S

    Table size(mm) : 300x300

    Travel Range(mm) : ±15mm

    Travel Guide : B/S Φ15 Lead 5mm, Cross roller Guide

    Material : Aluminum


    Z - Stage 특징

    1. WEDGE 타입의 수평면 Z축 스테이지

    2. 다양한 표준품 라인업

    3. 고정밀도 실현

    5d893fcd5ff17c543ed982f44103d182_1773219549_8327.jpg
     
     











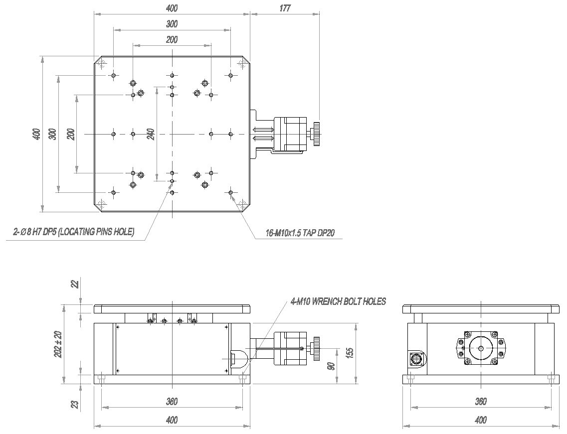
    SZ-4040-3S

    Table size(mm) : 400x400

    Travel Range(mm) : 40

    Travel Guide : B/S Φ20 Lead 5mm, Cross roller Guide

    Material : Aluminum


    Z - Stage 특징

    1. WEDGE 타입의 수평면 Z축 스테이지

    2. 다양한 표준품 라인업

    3. 고정밀도 실현


     
    5d893fcd5ff17c543ed982f44103d182_1773219535_6672.jpg



    상품 정보 고시

  • 사용후기

    사용후기가 없습니다.

  • 상품문의

    상품문의가 없습니다.

  • 배송/교환정보

    배송정보



    005e207aa4dcef1365d75af75c8903f5_1531272271_9235.png 




    교환/반품



    005e207aa4dcef1365d75af75c8903f5_1531273889_2814.png